
EN
— 产品中心 —
全国服务电话 075528990558 地址:深圳市龙岗区南联向银路71号汇川科技园华鹏艾伟大厦A栋
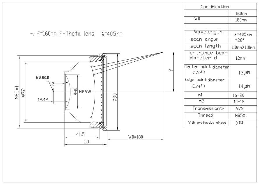
405nm处于可见光中的紫色光波段,用于405nm激光的F-theta扫描透镜,也叫紫光场镜,目前广泛应用于激光3D打印等领域。405nm F-THETA场镜在确保光斑达到衍射极限的前提下,获得高质量的平……
产品详情
405nm处于可见光中的紫色光波段,用于405nm激光的F-theta扫描透镜,也叫紫光场镜,目前广泛应用于激光3D打印等领域。405nm F-THETA场镜在确保光斑达到衍射极限的前提下,获得高质量的平场效果和最小的几何畸变。

| 产品编号 | 焦距 | 工作距 | 扫描范围 | 扫描角度 | 入射光斑直径 | 弥散圆 | 振镜位置 | 螺纹连接 |
| HP-SL-405-110-160 (12CA) | 160 | 181 | 110*110 | ±28° | 12 | 26 | 16/16 | M85*1 |
| HP-SL-405-150-210 (12CA) | 210 | 230 | 140*140 | ±28° | 12 | 34 | 16/16 | M85*1 |
| HP-SL-405-175-254 (12CA) | 254 | 284 | 175*175 | ±28° | 16 | 31 | 16/16 | M85*1 |
| HP-SL-405-220-290 (12CA) | 290 | 324 | 200*200 | ±28° | 16 | 31 | 16/16 | M85*1 |
以上只是405nm紫光场镜激光打标场镜简单介绍,如需要更详细的405nm紫光场镜激光打标场镜资料信息,请联系华鹏艾伟对应销售人员。
相关推荐
华鹏艾伟是一家专业的激光打标机配件、激光焊接机配件、激光切割机配件等激光全套配件综合解决方案品牌供应商和批发商!
地址:深圳市龙岗区南联向银路71号汇川科技园华鹏艾伟大厦A栋 TEL:0755-28990558